|
|---|
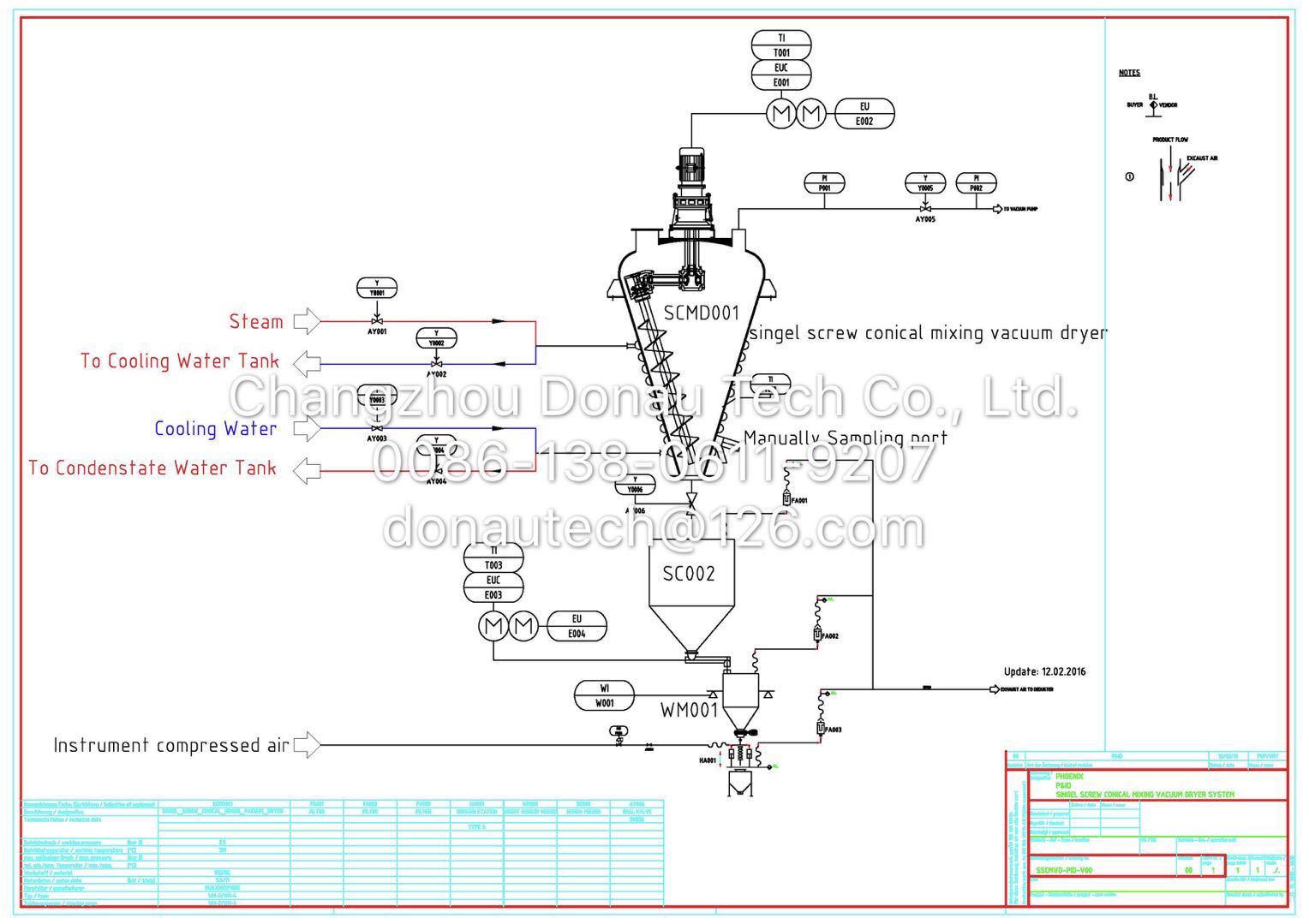
单臂螺旋锥型真空干燥机(符合欧盟CE 条款)
Single Arm Spiral Conical Vacuum Drying Equipment (CE Approved)

1. 概述( Description ):
单臂螺旋锥形真空干燥机是一种夹套加热传导型间隙式干燥设备,是目前欧美国家在药品生产中已经广泛应用的真空干燥设备,该干燥设备具备真空干燥和搅拌混合双重功能。物料从顶部进料口加入后,关闭进料口,启动加热系统、真空系统、搅拌系统,单臂螺旋在自转的同时还沿着锥体内壁圆周方向公转,物料在螺旋的提升下向上运动,锥体内壁热量与物料充分接触,物料以及内部湿分温度升高,在真空状态下,湿分的沸点降低,低温状态下蒸发出来的湿分被真空系统抽出,完成干燥过程。
Single-arm spiral vacuum dryer is a jacket conduction heating batch mode drying equipment, it is widely used vacuum drying equipment in the European and American countries in the pharmaceutical production, the drying equipment with vacuum drying and mixing double function. After the material is added from the top inlet , the feed inlet is closed, the heating system is started, the vacuum system, the stirring system, the single-arm screw is rotated at the same time along the circumferential direction of the inner wall of the cone. The material moves upwards under the spiral lifting, The inner wall of the cone and the material in full contact with the material, the material and the internal wetting temperature increases, in the vacuum state, the boiling point of moisture decreased , evaporation of the moisture been taken out by vacuum under low temperature , then complete the drying process.
2. 特点( Featurs):
单臂螺旋锥形真空干燥机适宜于GMP车间使用,本机具有的高效干燥混合能力是双锥真空干燥机的3-4倍,物料装填率在10%-100%可正常工作,带公转和自转的悬臂螺杆揽拌可以达到较高的混合精度,在大批物料中添加很少量物料也可以在干燥机内混合均匀,由与其与众不同的低速搅拌特性,即使对干燥处理敏感的产品,也不会遭损坏,所需的驱动功率也相对较低。与干燥机直接相连的过滤器能够将尘粒保留在加工区域内,本机采用充气密封圆顶阀,卸料彻底、便捷,出色的真空、耐压密封性能,无死角、易清洁设计,性能稳定、使用寿命长,能够毫无损失地加工产品。
全悬臂式锥形搅拌螺旋轴 全封闭式系统
产品搅拌柔和,循环性好
使用多种材料和技术,以实现安全可靠的密封
机械剪切力低 干燥时间短,能耗低
精度高,搅拌效果好,可再生性强
无污染气体泄漏
适用于生产各种工艺产品,用途广泛
依据产品特性调节速度
可灵活分载(10-100%),对产品质量无影响
使用加热搅拌螺旋轴,来缩短干燥时间
固体卸料和清洗液排放无残留 保证产品、操作员及生产环节的安全
在线清洗高效简单,排放彻底
能灵活用于多种产品加工
Single-arm spiral conical vacuum dryer suit for use in the GMP workshop, the machine has a high dry & mixing efficiency ,the capacity is 3-4 times of double cone vacuum dryer ,it can work under the condition of 10% -100% filling rate ,screw mixing can achieve a higher mixing accuracy with the screw rotating and screw arm rotating along the conical circumferential direction , feed in few material into a large quantity of other material can also be well distributed , by its different low-speed mixing characteristics, even for dry processing sensitive products, It will not be damaged, the required drive power is relatively low. And the dryer directly connected to the filter can retain the dust in the processing area, the machine uses inflatable sealed dome valve, discharge thoroughly, convenient, excellent vacuum, pressure sealing performance, no dead ends, easy to clean design, performance Stable, long service life, able to handle products without loss.
Full Cantilever Conical Stirring Screw
Fully enclosed system
Product mixing under slow speed , well distributed
Use a variety of materials and techniques to achieve a safe and reliable seal
Low mechanical shear force
Short Drying time , low energy consumption
High precision, good mixing effect, strong renewable
No pollution gas leaks
Applicable to the various products, widely used
Adjust the speed according to product characteristics
Can be flexible load rate (10-100%), no affect on product quality
Use the heating screw shaft to shorten the drying time
Solid discharge and cleaning fluid discharge without residue
To ensure the safety of products, operators and production processes
CIP is simple and efficient, thoroughly discharg
Can be used for a variety of products processing

3. 应用范围(Scope of application):
有流动性的产品:粉末、颗粒、晶体等
Flowable products: powder, particles, crystals and other
危险物质
dangerous material
对机械处理和高温敏感的产品
For mechanical handling and high temperature sensitive products
易燃物和爆炸性粉末
Flammable and explosive powders
氧化作用下易分解的产品
Oxidized products are easily decomposed
沾有可燃溶液的产品
4、技术参数Technical parameter
型号Model |
50L |
100L |
200L |
500L |
1000L |
1500L |
2000L |
3000L |
4000L |
5000L |
容量Volume L |
50 |
100 |
200 |
500 |
1000 |
1500 |
2000 |
3000 |
4000 |
5000 |
内径Inner Diameter mm |
500 |
620 |
800 |
1100 |
1350 |
1550 |
1700 |
1950 |
2150 |
2300 |
功率Power KW |
1.5 |
1.5 |
2.2 |
3.7 |
5.5 |
5.5 |
7.5 |
11 |
22 |
22 |
5、出料阀(充气圆顶阀)Discharge valve(Inflatable dome valve)

Contact:
|
Name: Mr.Jack Chen , Cell Phone : 0086-138-0611-9207 , Email: donautech@126.com Address: Shen'an Industry zone ,Zhenglu Town , Changzhou City ,Jiangsu Province , China . |
Name: Ms.Emily Zha, Cell Phone : 0086-137-7510-5518 , Email: Emilyzha@126.com Address: Shen'an Industry zone ,Zhenglu Town , Changzhou City ,Jiangsu Province , China . |